The most important information contained in the content: Types of cells Number of cells in a pack marked S-series and...
ADDITIONAL INFORMATION
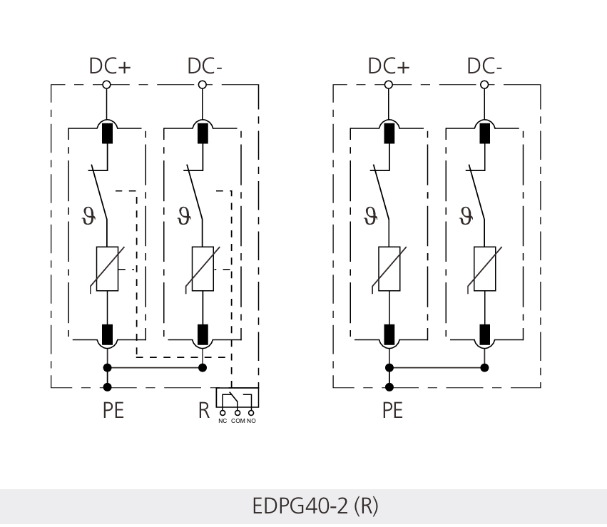
100V DC Surge Protective Device (SPD)
EDP series surge protective devices are characterized by a reliable voltage protection level, exceptionally high discharge capacity, and high overload resistance.
They are used for the lightning protection of photovoltaic systems. Very useful for protecting the BMS in energy storage systems.
The product is equipped with a high-energy varistor system, allowing it to divert surge voltage to the ground with a nanosecond response time in the event of a lightning strike or other overvoltage causes, thereby protecting the equipment.
Protection Modes:
(DC+) – PE
(DC-) – PE
(DC+) – (DC-)
Surge Parameters:
$I_n = 20\text{ kA}$ ($8/20\text{ μs}$)
Imax = do 40 kA (8/20 μs)
Cat IEC/EN/UL: Class I+II / Type 2
Protection elements: High-energy Metal Oxide Varistor (MOV)
Housing: Plug-in design
Compliance Standards: IEC 61643-31, EN 50539-11 + A1
Producent
Nazwa: Onccy Electrical Co., Ltd
Kraj: China
Adres: Haiyang 1st Road, Pudong New Area Shanghai 399
Email: contact@onccy.com
Podmiot odpowiedzialny w UE
Nazwa: Onvolt
Kraj: Polska
Adres: Pływacka 136, Łódź 94-127
Email: sklep@onvolt.pl
Important and useful info
Charging and storing energy packs and energy storage units.
The most important information contained in the content: Types of cells (batteries) and selection of chargers for them...
BMS – what is it and what are its functions? Principles of operation.
No one needs to be convinced of the advantages of batteries based on lithium technology. Their ability to store much...
Related products
-
Sale!

BMS 12S 5A Daly Parallel module
€40,15Original price was: €40,15.€37,63Current price is: €37,63. Add to cart -

BMS SMART programming UART cable “UART” -6-pin
€9,85 Add to cart -

Voltage indicator for BMS SMART Daly with output “LED 12V “1
€5,81 Add to cart -

BMS 8S 15A Daly Parallel module
€50,25 Add to cart








